Ghostbox
ein Muss für jeden Geisterjäger!

Studiengang
ET - auslaufendProjektbeschreibung
Hast du manchmal das Gefühl von Geistern beobachtet zu werden?
Verzage nicht, unsere Ghostbox bringt Gewissheit!
Mit modernster Elektronik und charmantem Retro-Design verbindet die Ghostbox Technik und Mystery - perfekt für die nächste Geisterjagd.
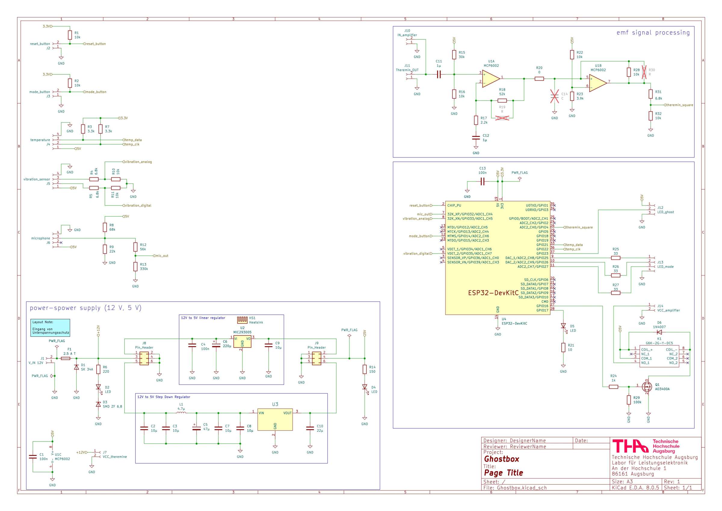
Das Ziel des Projektes „Ghostbox“ beinhaltet den Entwurf und die (Weiter-)Entwicklung eines sogenannten REM-Pods, wobei Veränderungen des elektromagnetischen Feldes (EMF), der Temperatur sowie Geräusche und Vibrationen gemessen werden.
Damit wird versucht unnatürliche Abweichungen der Messwerte durch die Anwesenheit von möglichen Geistern zu erklären und die Welt vor Geistern zu beschützen.
Die Portabilität der Ghostbox ermöglicht dem Nutzer die Erkundung von übernatürlich angehauchten Orten sowie die Inspektion paranormaler Aktivitäten.
Für die Detektion besitzt das Gerät 7 verschiedene Betriebsmodi zwischen denen der Anwender auswählen kann.
Sollte es zu einer Begegnung kommen, warnt die Ghostbox den Bediener über eine visuelle und/oder auditive Ausgabe je nach Betriebsmodus.
Beteiligte Personen
| Studierendengruppe: | Jonas Doll, Marco Gärtner, Marius Häderle, Niklas Schäfer |
| Betreuer: |
Veranstaltung
Systems Engineering 1 (IK)
Laufzeit
WS 2024/25
Anforderungen
- Messung von Veränderungen im elektromagnetischem Feld
- Messung von Temperaturveränderungen
- Messung von Vibrationen/Erschütterungen
- Messung von Geräuschen
- kontinuierliche Messung
- visuelle Reaktion von Messwerte; keine gegenseite Beeinflussung der Sensoren
- Sensordaten gehen an zentrale Logikeinheit
- Ein-/Ausschalter
- mehrere Betriebsmodi
- wiederaufladbare Energieversorgung (Lithium-Polymer-Akku)
- optimale Performance bei Idealbedingungen
- Schnelle und zuverlässige Reaktion
- Gerät ist portabel




